- 商品描述
- 商品询价热度
Atlas阿特拉斯LSF38刻磨机

Atlas LSF38刻磨机优势特点
防散射
已付排气管
优化加工速度
降低噪音水平
出色的功率重量比
经久耐用,使用寿命长
降低振动相关伤害的风险
集成调速器带来优化的性能
内置消音器,降低工作噪音
提高工作效率,缩短加工时间
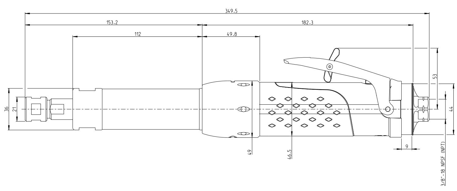
阿特拉斯刻磨机LSF38系列各型号技术参数
| Title | ID | 空转速度下的空气消耗量 | 输出时的空气消耗量 | 进气口螺纹 NPT | 筒夹尺寸 | 经过 EAC 认证 | EC 标准 | 长度 | 免润滑 | 空转转速 | 输出 | 工作压力 | 型号类型 | 电机类型 | 推荐的软管尺寸 | 防散射 | 声功率 | 声压 | 声音标准 | 声音不确定度 | 震动标准 | 震动值 | WEEE | 重量 | EU 指令 | 振动不确定度 | 进气口螺纹 BSP |
|---|---|---|---|---|---|---|---|---|---|---|---|---|---|---|---|---|---|---|---|---|---|---|---|---|---|---|---|
| LSF38 S180E | 8423070028 | 15.0 l/s | 28.0 l/s | 3/8 inch | 1/4 inch | Yes | ISO11148-9 | 350 mm | Yes | 18000 r/min | 1.35 kW | 90 psig | Straight | Vane | 13 mm | Yes | 97 dB(A) | 86 dB(A) | ISO15744 | 3 dB(A) | ISO28927-12 | <2.5 m/s² | 0 | 3.3 lb | 2006/42/EC | ||
| LSF38 S250E | 8423070031 | 25.0 l/s | 28.0 l/s | 3/8 inch | 1/4 inch | Yes | ISO11148-9 | 350 mm | No | 25000 r/min | 1.35 kW | 90 psig | Straight | Vane | 13 mm | Yes | 101 dB(A) | 90 dB(A) | ISO15744 | 3 dB(A) | ISO28927-12 | 2.8 m/s² | 0 | 3.3 lb | 2006/42/EC | 1.3 m/s² | |
| LSF38 S150E-01R | 8423123114 | 13.0 l/s | 24.0 l/s | 6 mm | Yes | ISO 11148-9 | 356 mm | Yes | 15000 r/min | 1.25 kW | 90 psig | Straight | Vane | 13 mm | No | 92 dB(A) | 81 dB(A) | ISO15744 | 3 dB(A) | ISO28927-12 | <2.5 m/s² | 0 | 3.3 lb | 2006/42/EC | 3/8 inch | ||
| LSF38 S250E-01 | 8423123117 | 25.0 l/s | 28.0 l/s | 6 mm | Yes | ISO 11148-9 | 356 mm | No | 25000 r/min | 1.35 kW | 90 psig | Straight | Vane | 13 mm | Yes | 101 dB(A) | 90 dB(A) | ISO15744 | 3 dB(A) | ISO28927-12 | 2.8 m/s² | 0 | 3.3 lb | 2006/42/EC | 1.3 m/s² | 3/8 inch | |
| LSF38 S180E-01 | 8423123116 | 15.0 l/s | 28.0 l/s | 6 mm | Yes | ISO 11148-9 | 356 mm | Yes | 18000 r/min | 1.35 kW | 90 psig | Straight | Vane | 13 mm | Yes | 97 dB(A) | 86 dB(A) | ISO15744 | 3 dB(A) | ISO28927-12 | <2.5 m/s² | 0 | 3.3 lb | 2006/42/EC | 3/8 inch | ||
| LSF38 S180E-01R | 8423123115 | 15.0 l/s | 28.0 l/s | 6 mm | Yes | ISO 11148-9 | 356 mm | Yes | 18000 r/min | 1.35 kW | 90 psig | Straight | Vane | 13 mm | No | 97 dB(A) | 86 dB(A) | ISO15744 | 3 dB(A) | ISO28927-12 | <2.5 m/s² | 0 | 3.3 lb | 2006/42/EC | 3/8 inch |

Atlas阿特拉斯LSF38 S180E刻磨机


线上咨询




